Перейти к содержимому

Выбирайте с умом –
стройте с Knokey!

+7-980-400-7686

Заказать звонок

КАТЕГОРИИ

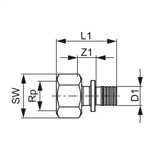
Соединитель прямой Tece 20 мм х 1/2 ВР(г) латунь (765003)

000679 1
000679 1000679 2000679 3
Предназначен для систем питьевого водоснабжения и отопления. Характеристика Значение Срок службы, лет 50 Рабочая температура, °С 90 Диаметр подключения, дюйм 1/2 Резьба Внутренняя резьба Тип соединения Аксиальный, Пресс Совместимость Для полиэтиленовых труб Рабоч ...Читать далее
ООО "НОЛЭКС"
Проверено
1 007,00 ₽


Производитель: Tece Tece
+
Кнопка добавить в корзину появится, как только вы сделаете выбор из указанных выше значений
  • Описание

Предназначен для систем питьевого водоснабжения и отопления.

Характеристика Значение
Срок службы, лет 50
Рабочая температура, °С 90
Диаметр подключения, дюйм 1/2
Резьба Внутренняя резьба
Тип соединения Аксиальный, Пресс
Совместимость Для полиэтиленовых труб
Рабочее давление, бар 10
Тип товара Соединитель
Диаметр трубы, мм 16
Серия TECEflex
Страна бренда Германия
Материал Латунь
Артикул 765003