Перейти к содержимому

Выбирайте с умом –
стройте с Knokey!

+7-980-400-7686

Заказать звонок

КАТЕГОРИИ

Балка горячекатаная (двутавр) №20 6 м

018085 1
018085 1018085 2018085 3018085 4
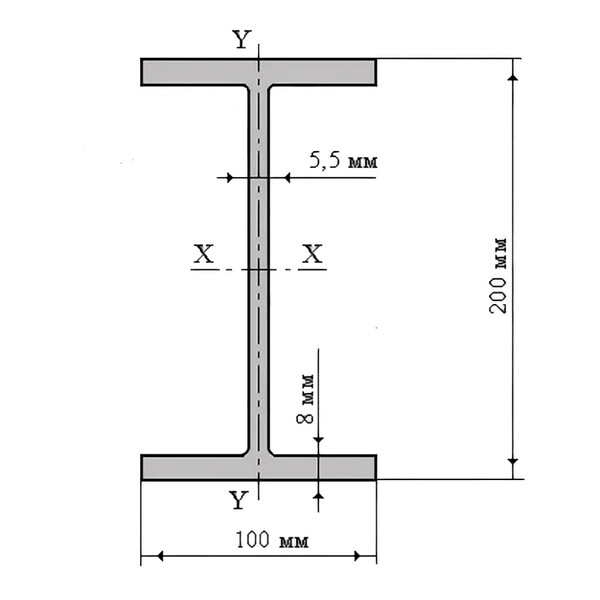
Предназначена для использования в качестве элемента междуэтажных перекрытий, колонн, мостов, эстакад, лестниц и др. Широкое применение балки в строительстве обусловлено ее высокой прочностью на изгиб при работе с большими нагрузками. Маркировка по точности прокатки – Б1. Толщина стенки – 5,5 мм. ...Читать далее
+
Кнопка добавить в корзину появится, как только вы сделаете выбор из указанных выше значений
  • Описание

Предназначена для использования в качестве элемента междуэтажных перекрытий, колонн, мостов, эстакад, лестниц и др. Широкое применение балки в строительстве обусловлено ее высокой прочностью на изгиб при работе с большими нагрузками. Маркировка по точности прокатки – Б1. Толщина стенки – 5,5 мм. Толщина полки – 8 мм.

Характеристика Значение
Минимальная единица продажи Штука
Способ производства Горячекатанное
Страна-производитель Россия
В 1 тонне ~47 м.п.
Толщина стенки, мм 5,5
Толщина металла, мм 5,5
Ширина, мм 100
Высота, мм 200
Длина, м 6
Марка стали С245
Материал Сталь
Сертификаты соответствия Не подлежит обязательной сертификации.
Толщина полки 8
Тип товара Балка стальная