Перейти к содержимому

Выбирайте с умом –
стройте с Knokey!

+7-980-400-7686

Заказать звонок

КАТЕГОРИИ

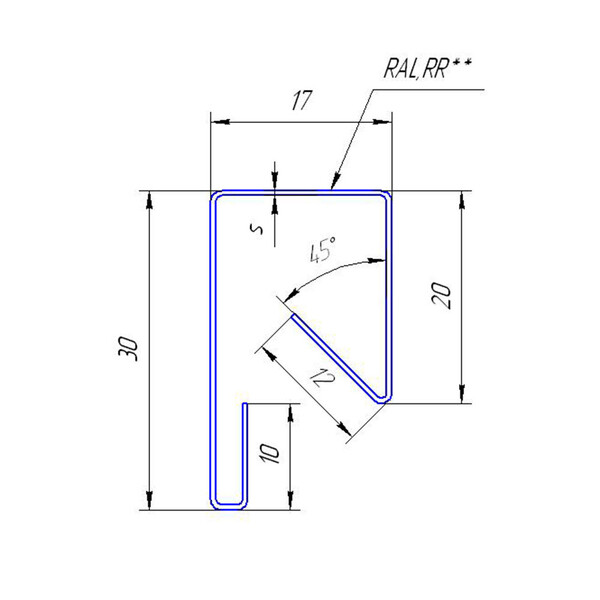
Планка заборная П-образная 17х30х2000 мм зеленая RAL 6005

020644 1
020644 1020644 2
Предназначена для защиты кромки забора из профнастила С-8 от атмосферных осадков, для выравнивания верхнего края забора и придания ограждению четкой геометрической формы. Характеристика Значение Ширина, м 0,017 Размер, мм 17х30х2000 Рисунок Однотонный Поверхность Глянцевая ...Читать далее
+
Кнопка добавить в корзину появится, как только вы сделаете выбор из указанных выше значений
  • Описание

Предназначена для защиты кромки забора из профнастила С-8 от атмосферных осадков, для выравнивания верхнего края забора и придания ограждению четкой геометрической формы.

Характеристика Значение
Ширина, м 0,017
Размер, мм 17х30х2000
Рисунок Однотонный
Поверхность Глянцевая
Покрытие Полимерное
Материал Оцинкованная сталь
Толщина металла, мм 0,4
Покрытие обратной стороны Эпоксидное серое
Цвет производителя Зеленый
Цвет по каталогу RAL 6005
Тип окрашивания Одностороннее
Тип товара Планка заборная
Применение Для забора
Артикул 150543